SA628F22: 8K-Abtastrate, Vollduplex-Funk-Audiomodul
Type: Wireless Audio
Certification: Others
Output Power: 160mW
Size:48,1*33,9
| Parameter | Testbedingungen | Mindest. | Typ. | Max. | Einheit |
| Betriebsspannung | 2.3 | 3.3 | 3.6 | V | |
| Arbeitstemperatur | -30 | 25 | 70 | ℃ | |
| Stromaufnahme | |||||
| Schlafstrom | 12 | uA | |||
| RX-Strom | @ Keine Audioausgabe | 50 | mA | ||
| @8Ω, 1W Audioausgang | 300 | ||||
| TX-Strom | 3,3 V, bei 22 dBm | 110 | mA | ||
| HF-Parameter | |||||
| Betriebsfrequenz | UHF | 420 | 510 | MHz | |
| Anpassbare Frequenz | 150 | 960 | MHz | ||
| Standardfrequenzwert für 16 Kanäle | UHF (1-MHz-Intervall) | 440.125 | 455.125 | MHz | |
| Sendeleistung | Standard: 22 dBm | 0 | 22 | dBm | |
| Zweite Harmonische | -40 | dBm | |||
| Bandbreite (BW) | 500 | KHz | |||
| Empfangsempfindlichkeit | -117 | dBm | |||
| Audioparameter | |||||
| Modulationsempfindlichkeit | 10 | 100 | mV | ||
| Empfangs-Signal-Rausch-Verhältnis (SNR) | 90 | dB | |||
| Frequenzgang | 60 | 3800 | Hz | ||
| Audioausgang (Line-Out) | Last 16 Ω | 40 | mW | ||
| Verzögerungsparameter | 2 Kanäle | 80 | 100 | 120 | MS |
| 3 Kanäle | 120 | 160 | 180 | MS | |
| 4 Kanäle | 160 | 200 | 240 | MS | |
| 6 Kanäle | 240 | 300 | 360 | MS | |
| 8 Kanäle | 320 | 400 | 480 | MS | |
| Typ | drahtloses Audio |
| Ausgangsleistung | 160 mW |

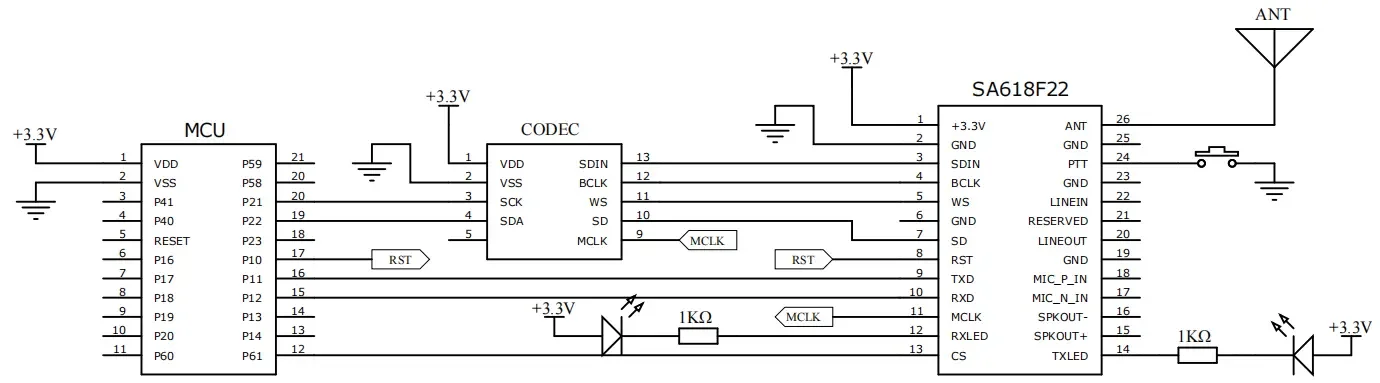
Analoge Eingangs- und Ausgangsanwendungsschaltung (Externer Audioverstärker)



| Pin-Nr. | Pin-Name | E/A | Beschreibung |
| 1 | +3,3 V | 2,3–3,6 V | |
| 2,6,19,23,25 | Masse | Boden | |
| 3 | SDIN | ICH | Externes I2S (0-3,3 V) |
| 4 | BCLK | O | Externes I2S (0-3,3 V) |
| 5 | WS | O | Externes I2S (0-3,3 V) |
| 7 | SD | O | Externes I2S (0-3,3 V) |
| 8 | RST | ICH | Modul-Reset-Pin, externes Herunterziehen für mehr als 5 ms setzt das Modul zurück |
| 9 | TXD | O | Serielle Kommunikation |
| 10 | RXD | ICH | Serielle Kommunikation |
| 11 | MCLK | O | Externes I2S (0-3,3 V) |
| 12 | RXLED | O | Empfangsanzeige, verbunden mit externer LED, schaltet sich durch Niedrigpegelausgang ein, wenn Daten oder Sprache empfangen werden (1K-Ohm-Widerstand zur Strombegrenzung empfohlen) |
| 13 | CS | ICH | Schwebender Eingang, niedriger Pegel zum Einschalten des Ruhezustands |
| 14 | TXLED | O | Die Sendeanzeige ist mit einer externen LED verbunden und wird durch einen niedrigen Ausgangspegel eingeschaltet, wenn Daten oder Sprache übertragen werden (zur Strombegrenzung wird ein 1-kOhm-Widerstand empfohlen). |
| 15 | SPKOUT+ | O | Externer Anschluss: 8Ω 2W Lautsprecher |
| 16 | SPKOUT- | O | Externer Anschluss: 8Ω 2W Lautsprecher |
| 17 | MIC_N_IN | ICH | Negative Elektrode des externen Mikrofons |
| 18 | MIC_P_IN | ICH | Positive Elektrode des externen Mikrofons |
| 20 | LINE_OUT | O | Verbunden mit 16 Ω Ohrhörern |
| 21 | Reserviert | NC | |
| 22 | LINE_IN | ICH | Line-Eingang, maximal 1 VRMS |
| 24 | PTT | ICH | Zum Sprechen drücken, zum Einschalten des Sendemodus nach unten ziehen, zum Einschalten des Empfangsmodus nach oben ziehen oder offen lassen, intern nach oben ziehen, |
| 26 | AMEISE | Verbunden mit 50-Ohm-Antenne |

Datenschutzrichtlinie
· Datenschutzrichtlinie
Derzeit sind keine Inhalte verfügbar
E-Mail: sales@nicerf.com
Tel.:+86-755-23080616