Contactus
| Parameter | Zustand | Mindest | Typ. | Max | Einheit |
| Stromversorgung | 3.3 | 4.0 | 5 | V | |
| Arbeitstemperatur | -20 | 25 | 60 | ℃ | |
| Frequenzbereich | @UHF | 400 | 470 | MHz | |
| @VHF | 134 | 174 | MHz | ||
| @350 | 320 | 400 | MHz | ||
| Serielle Baudrate | 57600 | bps | |||
| Stromverbrauch | |||||
| Schlafstrom | @CS 3 Sekunden lang tief gezogen | < 1 | mA | ||
| RX-Strom | < 165 | mA | |||
| TX-Strom (hohe Leistung) - DMR | @VCC = 4,2 V, 2 W | 400-1200 | mA | ||
| TX-Strom (niedrige Leistung) - DMR | @VCC = 4,2 V, 0,5 W | 200-600 | mA | ||
| TX-Strom (hohe Leistung) - Analog | @VCC = 4,2 V, 2 W | < 1300 | mA | ||
| TX-Strom (niedrige Leistung) - Analog | @VCC = 4,2 V, 0,5 W | < 700 | mA | ||
| Analoge Rx-Parameter | |||||
| Rx-Empfindlichkeit (Analog) | @12dB SINAD | -120 | dBm | ||
| Seriennummer | @1,5K Abweichung | 40 | dB | ||
| Nachbarkanalselektivität | 12,5 kHz Offset | 62 | dB | ||
| Intermodulationsunterdrückung | 12,5 kHz Offset | 63 | dB | ||
| Blockierende Immunität | Störfrequenzintervall > 1M | 88 | dB | ||
| Audioamplitude (Line-Out) | F0 = 1 kHz | 0,2 | 130 | 460 | mV |
| Ausgangsimpedanz von Audio (SPK) | 8 | Ohm | |||
| Audioverzerrung | F0 = 1 kHz | 5 | % | ||
| Audioantwort | 300 Hz | 8 | dB | ||
| 500 Hz | 6 | ||||
| 1 kHz | 0 | ||||
| 2 kHz | -6 | ||||
| 3 kHz | -12 | ||||
| DMR-Rx-Parameter | |||||
| BER (DMR-Modus) | @ -117dBm | 4 | % | ||
| Nachbarkanalselektivität (ACS) | Offset: +12,5 kHz | 60 | dB | ||
| Offset: -12,5 kHz | |||||
| Intermodulationsunterdrückung | Offset: +50/100 kHz | 63 | dB | ||
| Offset: -50/100 kHz | |||||
| Blockierende Immunität | Offset: +/-1 MHz | 87 | dB | ||
| Offset: +/- 5 MHz | |||||
| Analoge Tx-Parameter | |||||
| Max. Frequenzabweichung | 12,5 kHz Abweichung (N) | 2.2 | 2.5 | KHz | |
| 25 kHz Abweichung (W) | 4.5 | 5 | KHz | ||
| Empfindlichkeit | Abweichung: 1,5 KHz/2,5 KHz | 4 | 7 | 10 | mV |
| Audioverzerrung | Abweichung: 1,5 KHz/2,5 KHz | 1 | 5 | % | |
| Modulationscharakteristik | 300 Hz | -13 | -11 | -9 | dB |
| 500 Hz | -9 | -6 | -5 | dB | |
| 1 kHz | -3 | 0 | 1 | dB | |
| 2 kHz | 3 | 6 | 7 | dB | |
| 3 kHz | 3 | 7 | 11 | dB | |
| CTCSS-Abweichung | 350 | 400 | 600 | Hz | |
| Ausgangsleistung des Nachbarkanals | 12,5 kHz Offset | -63 | -65 | dBc | |
| SNA | 1,5 kHz/2,5 kHz | 38 | 40 | 50 | dB |
| DMR-Tx-Parameter | |||||
| Frequenzfehler | 0,5 | ppm | |||
| 4FSK Tx BER | ≤1×10-4 | ||||
| Ausgangsleistung des Nachbarkanals | +/-12,5 kHz | ≤-55 | dB | ||
| Ausgangsleistung des nächsten Nachbarkanals | +/-25 kHz | ≤-65 | dB | ||
| Typ | DMR-Walkie-Talkie |
| Ausgangsleistung | 2W |
DMR-Walkie-Talkie-Modul
Unsichtbare Gegensprechanlage
Gebäudesicherheitssystem
Ein Audioüberwachungssystem



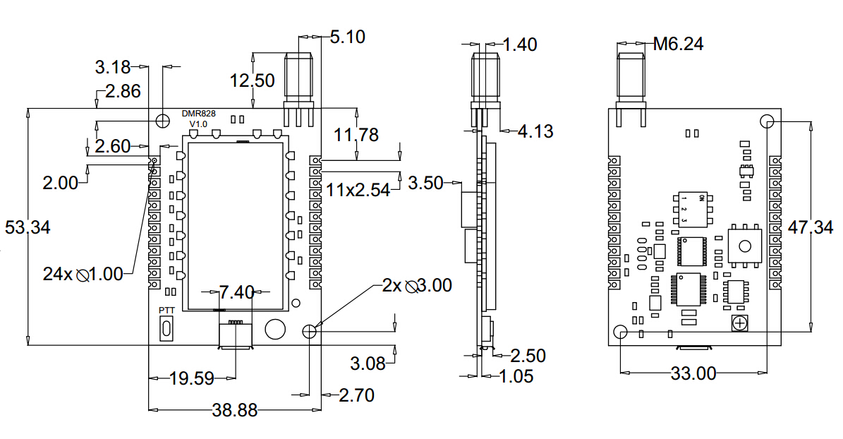
| Pin-Nr. | Pin-Name | E/A | Beschreibung |
| 1 | VCC | VCC ( 3 - 5 V ) | |
| 2,4 | Masse | Boden | |
| 3 | CS | ICH | 0: Ruhezustand; 1: Betrieb (hohes Niveau oder offen lassen) |
| 5 | PTT | ICH | 0: TX, 1: RX |
| 6 | LINE_OUT | O | Audioausgang ohne Verstärker |
| 7 | 8 | ICH | Frequenzkanalauswahl (16 Kanäle) |
| 8: das maximale Bit, | |||
| 4: das 3. Bit, | |||
| 2: das 2. Bit; | |||
| 1: das kleinste bisschen, zum Beispiel: | |||
| 8421-Kodierung: | |||
| 0000: Kanal 0, | |||
| 0001: Kanal 1 | |||
| 0010: Kanal 2 | |||
| 8 | 4 | 0011: Kanal 3 | |
| 9 | 2 | … | |
| 10 | 1 | 1111: Kanal 15 | |
| 11 | SPKN | Audioausgang, Anschluss an Lautsprecher 8Ω 2W | |
| 12 | SPKP | ||
| 13,15,17,24 | Masse | Boden | |
| 14 | SPRECHEN | O | Anzeige für gültiges Signal. 1: Signal gültig, 0: Kein gültiges Signal empfangen. Dieser Pin kann zur Ansteuerung eines externen Sprachverstärkers verwendet werden. 1: an, 0: aus |
| 16 | MIC_IN | Mikrofon oder Line-In | |
| 18 | UART-TX | O | TXD des Moduls und Anschluss an externes RXD |
| 19 | UART-RX | ICH | RXD des Moduls und Verbindung zum externen TXD |
| 20,21 | NC | ||
| 22 | HST_TXD | Reserviert | Serieller Anschluss zum Senden des Daten-Pins (zum Aktualisieren des Programms) |
| 23 | HST_TXD | Reserviert | Serieller Port, der Daten-Pin empfängt (zum Aktualisieren des Programms) |

Datenschutzrichtlinie
· Datenschutzrichtlinie
Derzeit sind keine Inhalte verfügbar
E-Mail: sales@nicerf.com
Tel.:+86-755-23080616