Sep . 2021
Bei der Bereitstellung von technischem Support und HF-Anpassung für Kunden haben wir festgestellt, dass wir aufgrund von Funktionserweiterungen und Produktaktualisierungen häufig auf Probleme stoßen, bei denen Module mit unterschiedlichen drahtlosen Chips miteinander kommunizieren müssen, die Spezifikationen jedoch unterschiedlich sind in Parametern und Datenformaten lassen Menschen fragen, wo sie anfangen sollen. In diesem Test wurden die von NiceRF Wireless Technology Co., Ltd. unabhängig entwickelten RF-Front-End-Funkmodule RF4432PRO (eingebettet mit Si4432-Chip) und RF4463PRO (eingebettet mit Si4463-Chip) sowie detaillierte experimentelle Verfahren, Hardware-Schnittstellen und zugehörige Beispiele ausgewählt Programme beschrieben. Ich hoffe, eine Referenzmethode zur Lösung von Kommunikationsproblemen zwischen verschiedenen drahtlosen Chips bereitzustellen.
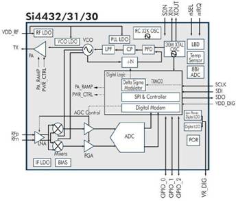
1.1 Leistung und Eigenschaften des Chips


Abbildung 1: Blockdiagramm der integrierten Si4432- und Si4463-Chip-Module
Der Si4432 im RF4432PRO- Funkmodul ist ein von Silabs in den USA entwickelter Hochleistungs-Hochfrequenz-Transceiver-Chip mit einem Arbeitsfrequenzband unter 1 GHz, der zur EzRadioPro-Serie gehört. Es wird in China häufig in der Industrie, der wissenschaftlichen Forschung, der Medizin (ISM) und bei drahtlosen Kommunikationsgeräten für kurze Entfernungen (SRD) eingesetzt. Seine Ausgangsleistung kann +20 dBm erreichen und seine Empfangsempfindlichkeit kann -121 dBm erreichen.
Das RF4463PRO-Funkmodul verwendet Silicon Lab Si4463, einen hochintegrierten drahtlosen ISM-Frequenzband-Transceiver-Chip. Die extrem niedrige Empfangsempfindlichkeit (-126 dBm), gepaart mit der branchenführenden Ausgangsleistung von +20 dBm, sorgt für eine größere Reichweite und eine verbesserte Verbindungsleistung. Gleichzeitig kann die Vielfalt der eingebauten Antennen und die Unterstützung von Frequency Hopping genutzt werden, um die Reichweite weiter zu erweitern und die Leistung zu verbessern.
Die spezifischen Parameter finden Sie in den Chiphandbüchern von Si4432 und Si4463. Die Funkmodule RF4432PRO und RF4463PRO bieten Hardware-Unterstützung für die integrierten Funktionen der Si4432- und Si4463-Chips. Benutzer können die Modulprogrammierung und -steuerung gemäß dem Chip-Handbuch direkt entwickeln und steuern.
| Drahtloses Modul | RF4432PRO | RF4463PRO |
| Frequenzbereich | 403 MHz, 433 MHz, 463 MHz | 403 MHz, 433 MHz, 463 MHz |
| Emissionsstrom | 85 mA, bei 20 dBm | 85 mA, bei 20 dBm |
| Strom empfangen | 18,5 mA | 13,5 mA |
| Statische Energie | <1uA | <0,1uA |
| Sendeleistungsbereich | 1 dBm ~ 20 dBm | -5dBm~20dBm |
| Empfangssensibilität | -121 dBm @Daten = 1,2 Kbit/s | -126dbm @data=500bps |
Tabelle 1: Getesteter Vergleich der RF-Parameter RF4432 und RF4463 von Shenzhen NiceRF Wireless Technology Co., Ltd.
1.2 System-Hardware-Design
Die experimentelle Systemhardware nutzte die Funkmodule RF4432PRO und RF4463PRO von NiceRF Wireless Technology Co., Ltd. und die entsprechenden DEMO-Boards. Die Module RF4432PRO und RF4463PRO enthalten leistungsstarke Chip-Anwendungsschaltungen in Industriequalität, die strenge Tests bestanden haben. Verbinden Sie jedes Modul über die Pins, um den Aufbau der Hardwareplattform abzuschließen. Durch die SPI-Port-Steuerung des Mikrocontrollers im DEMO-Board kommunizieren die beiden Transceiver-Module miteinander, um eine drahtlose Datenübertragung zu realisieren. In Verbindung mit dem drahtlosen Front-End-Transceiver-Modul, um dem Kunden das Debuggen und Testen über die Distanz zu erleichtern. Das Demoboard verfügt über externe Wireless-Modul-Pins und die Einstellungsparameter können nach dem Ausschalten gespeichert werden. Der Benutzer kann das Funkmodul über die Taste konfigurieren, z. B. Betriebsfrequenz, Sendeleistung und Kommunikationsrate. Die spezifischen Pin-Definitionen der Funkmodule RF4432PRO und RF4463PRO finden Sie in unseren detaillierten Produktspezifikationen.

Abbildung 2: Shenzhen NiceRF Wireless Technology Co., Ltd. Demoplatine und Hardwareverbindung des Wireless-Moduls
Das Senden und Empfangen drahtloser Signale ist der Prozess der Signalmodulation und -demodulation. Unabhängig davon, ob es sich um die gleiche oder eine unterschiedliche drahtlose Modulkommunikation handelt, führt der Unterschied in den Modulationsparametern wie Modulationsformat, Modulationsrate und -frequenz, Frequenzabweichung und Empfangsbandbreite der beiden Teile des Sende- und Empfangsteils dazu, dass die Kommunikation zwischen den Modulen beeinträchtigt wird nicht in der Lage sein, zu kommunizieren.
2.1 Timing der SPI-Bussteuerung
Die Kommunikation zwischen den Modulen RF4432PRO und RF4463PRO und dem Mikrocontroller besteht darin, dass das HF-Modul drahtlose Signale gemäß den vom Mikrocontroller geschriebenen Steuerbefehlen und Daten über den SPI-Bus überträgt und die empfangenen Daten und zugehörigen Informationen über den SPI-Bus an den Mikrocontroller überträgt . Das SPI-Timing von Si4432 und Si4463 unterscheidet sich geringfügig.

Abbildung 4: SPI-Schreibzeitpunkt des Si4432-Chips

Abbildung 5: SPI-Schreibzeitpunkt des Si4463-Chips
2.2 Testmodus
Die DEMO-Demokarten der Module RF4432PRO und RF4463PRO von Shenzhen NiceRF Wireless Technology Co., Ltd. verfügen über zwei Testmodi: regelmäßiges Senden und regelmäßiges Empfangen, was für das Debuggen von Programmen praktisch ist. Die Gemeinsamkeit der Funkmodule RF4432PRO und RF4463 im DEMO-Demoboard-Testmodus besteht darin, dass sie kontinuierlich „101010…“ senden und die empfangenen Echtzeit-Wellenformen an den entsprechenden Pins sehen können.

Abbildung 6
2.3 Normalmodus
Die Demoplatinen der Funkmodule RF4432PRO und RF4463PRO von Shenzhen NiceRF Wireless Technology Co., Ltd. laufen im PH+FIFO-Modus von Si4432 und Si4463. Sowohl Si4432 als auch Si4463 sind mit 64-Byte-FIFO und entsprechenden Datenpaketverarbeitungsfunktionen ausgestattet. In diesem Modus fügt der Chip automatisch Präambel, Synchronisationswort, Prüfung usw. hinzu und erkennt sie und zeigt den Kommunikationsstatus durch Interrupts an, was den Kommunikationsprozess erheblich erleichtert. Bei der Kommunikation im Normalmodus muss sichergestellt werden, dass die Datenpaketformateinstellungen der beiden Kommunikationsmodule vollständig konsistent sind, da der Chip sonst keine Interrupts generieren kann.

Abbildung 7: Si4432-Datenpaketformat

Abbildung 8: Si4463-Datenpaketformat
2.4 Zusammenfassung
Vergleichen Sie das Datenpaketformat der Si4432- und Si4463-Chips wie in Tabelle 5 gezeigt. Es kann festgestellt werden, dass das Si4463-Datenpaket in mehrere Teile unterteilt werden kann und jeder eine CRC-Prüfung aufweist und die übrigen Teile grundsätzlich gleich sind. Um sicherzustellen, dass die beiden Chips kommunizieren können, stellen Sie das Testdatenpaketformat wie in Tabelle 6 gezeigt ein.
| Si4432 | Si4463 | |
| Präambel | 1~8 Bytes | 1~8 Bytes |
| Word synchronisieren | 1~4 Bytes | 1~4 Bytes |
| TX-Header | √ | √ |
| Paketlänge | √ | √ |
| DATEN | 0~64 Bytes | 0~64 Bytes |
| CRC | 0~2 Bytes | 0,2,4 Bytes |
Tabelle 5: Vergleich der Datenpaketformate Si4432 und Si4463
| Präambel | Word synchronisieren | TX-Header | DATEN | ||
| Länge | Si4432 | 8 Bytes | 2 Bytes | 4 Bytes | 10 Bytes |
| Si4463 | 8 Bytes | 2 Bytes | 4 Bytes | 10 Bytes | |
| Inhalt | Si4432 | „010101...“ | 0xb42b | „swwx“ | „ABCDEFGHIm“ |
| Si4463 | „010101...“ | 0xb42b | „swwx“ | „ABCDEFGHIm“ | |
Tabelle 6: Testdatenpaketformat
Die in der Systemkommunikation verwendeten Hochfrequenzparametereinstellungen sind: Si4432- und Si4463-Module bei 433 M und 1,2 kbps, die Parameter mit der höchsten Empfangsempfindlichkeit sind wie folgt: Si4432, Si4463 Frequenzversatz: 20 kHz, 5 kHz; Bandbreite 61 kHz, 28,62 kHz; Empfindlichkeit -: 121 dBm, -123 dBm Wenn Si4432 und Si4463 die oben genannten Parameter zur Kommunikation verwenden, kann die Kommunikationsentfernung nicht die gleiche Chip-Kommunikationsentfernung erreichen. Erwägen Sie daher, den Frequenzversatz der beiden Funkmodule gleich einzustellen. In praktischen Anwendungen ist Si4463 größtenteils mit Si4432 kompatibel. Daher wurde beschlossen, den Frequenzoffset von Si4463 auf den Frequenzoffset von Si4432 auf 20 kHz zu ändern. (Spezifische Registerkonfiguration finden Sie im Anhang.) Das Format der gesendeten Daten ist in Tabelle 6 dargestellt. Um sicherzustellen, dass die Funkmodule RF4432PRO und RF4463PRO normal funktionieren und Referenzwellenformen bereitstellen können, aktivieren Sie zunächst dieselben Module für die Kommunikation im normalen Modus das DEMO-Demoboard unter dieser Einstellung.
3.1 Vergleichen Sie Empfangs- und Sendewellenformen
Da der Chip im Datenpaketmodus die Daten automatisch verarbeitet, werden nur die Ergebnisse angezeigt, was dem Debuggen des Programms nicht förderlich ist. Daher verwenden wir den DEMO-Demoboard-Testmodus und externe Pins von Shenzhen NiceRF Wireless Technology Co., Ltd., um die Qualität der Kommunikation zu beurteilen, indem wir gleichzeitig die intuitivste Art des Sendens und Empfangens von Wellenformen beobachten.
Stellen Sie GPIO2 und GPIO1 von RF4432PRO und RF4463PRO auf die Ausgabe der Rx-Datenausgabefunktion ein, damit die empfangenen Daten in Echtzeit von den Pins GPIO2 und GPIO1 ausgegeben werden können. Beobachten Sie mit einem Logikanalysator gleichzeitig die gesendeten und empfangenen Wellenformen der Funkmodule RF4463PRO und RF4432PRO und vergleichen Sie sie entsprechend. Wie in Abbildung 10 dargestellt, kann festgestellt werden, dass RF4432PRO und RF4463PRO die übertragenen Signale des jeweils anderen korrekt empfangen können.


Abbildung 9: 433 MHz, 1,2 Kbit/s, 20 kHz Frequenzversatz RF4432 und RF4463 Empfangstestwellenform
Empfangen Sie weiterhin eine Zeit lang im Testmodus, beobachten Sie jede empfangene Wellenform, wie in Abbildung 11 dargestellt, stellen Sie fest, dass das empfangene Signal nicht deformiert ist, und beurteilen Sie, ob die Funkmodule RF4432PRO und RF4463PRO unter diesem Funkfrequenzparameter normal kommunizieren können .

Abbildung 11: RF4463-Empfangswellenform unter 433 MHz, 1,2 kbps, 30 kHz Frequenzversatz
3.2 Empfang im Datenpaketmodus
Das RF4432PRO-Modul und das RF4463PRO-Modul empfangen voneinander die richtigen Wellenformen, sodass die HF-Parameter erhalten bleiben und der Arbeitsmodus des Demoboards von Shenzhen NiceRF Wireless Technology Co., Ltd. auf den Normalmodus eingestellt wird, um zu sehen, ob der Chip defekt ist unterbrechen kann. Es wurde festgestellt, dass weder das RF4432PRO-Modul noch das RF4463PRO-Modul einen Empfangsinterrupt erzeugten. Stellen Sie das DEMO-Demoboard auf RF4432PRO-Normalübertragung, RF4463PRO-Testempfang, RF4463PRO-Normalübertragung, RF4432PRO-Testempfang ein und vergleichen Sie die Wellenformen der von RF4432PRO und RF4463PRO übertragenen Datenpakete. Es wurde festgestellt, dass die Datenpaketformateinstellungen der beiden Module inkonsistent sind.

Abbildung 12: RF4432 und RF4463 senden Datenpaket-Wellenform mit 433 MHz, 1,2 Kbit/s, 20 kHz Frequenzversatz
Nach dem Vergleich wird festgestellt, dass das 4463-Synchronisationswort nicht mit der Einstellung „0x2DD4“, sondern mit „0xB42B“ übereinstimmt. Und die Präambel von 4432 ist „0101…“, nicht die bisherige Standardeinstellung „1010…“. Passen Sie das Datenpaketformat der beiden Module neu an und kommunizieren Sie im Normalmodus mit der DEMO-Demoplatine. Es wurde festgestellt, dass sowohl die Funkmodule RF4432PRO als auch RF4463PRO Unterbrechungen erlitten hatten.

Abbildung 13: 433 MHz, 1,2 Kbit/s, 20 kHz Frequenzversatz RF4463 und RF4432-Interrupt
3.3 Gesamtflussdiagramm

Abbildung 14: Flussdiagramm zum Debuggen der Kommunikation zwischen RF4432PRO und RF4463PRO
4.1 Hardware-Ergebnisse
RF4463PRO arbeitet im normalen Sendemodus der DEMO-Demoplatine von Shenzhen NiceRF Wireless Technology Co., Ltd. und RF4432PRO arbeitet im normalen Empfangsmodus der DEMO-Demoplatine. Die Anzahl der gesendeten und empfangenen Pakete wird auf dem Bildschirm angezeigt. Wie in Abbildung 18 dargestellt, kommt es nach dem Senden über einen bestimmten Zeitraum zu keinem Paketverlust.

Abbildung 15: Das physikalische Diagramm der Kommunikation zwischen RF4432PRO (links) und RF4463PRO
4.2 Softwareergebnisse
In Abbildung 19 ist 4432IRQ der Interrupt-Pin von RF4432PRO und 4463IRQ der Interrupt-Pin von RF4463PRO. Es ist ersichtlich, dass jeder Sende-Interrupt einen entsprechenden Empfangs-Interrupt hat.

Abbildung 16: Kommunikation zwischen RF4432PRO und RF4463PRO unterbrochen
Der Schlüssel zum Experiment liegt in den Initialisierungseinstellungen der Funkmodule RF4432PRO und RF4463PRO, der Rest stimmt mit den Kommunikationsprozeduren zwischen denselben Funkmodulen überein. Die für die folgenden Tests möglichen Initialisierungscodes für die Funkmodule RF4432PRO und RF4463PRO können direkt in das Kommunikationsprogramm eingesetzt werden, um die Kommunikation zwischen den Funkmodulen RF4432PRO und RF4463PRO zu realisieren. Das vollständige Testprogramm, das in diesem Experiment verwendet wurde, kann im RF4432 DEMO CODE und RF4463 DEMO CODE auf der offiziellen Website von Shenzhen NiceRF Wireless Technology Co., Ltd. eingesehen werden.
5.1 RF4432PRO-Initialisierungsbeispiel
si4432_config.rar
5.2 RF4463PRO-Initialisierungsbeispiel
si4463_config.rar
Hinweis: Der Speicherort für den Download des Anhangs befindet sich unterhalb des Artikeltitels.
Dieser Artikel beschreibt den detaillierten Implementierungsprozess, die Hardwareschnittstelle und das Beispielprogramm der drahtlosen Transceivermodulkommunikation RF4432PRO und RF4463PRO von Shenzhen NiceRF Wireless Technology Co., Ltd., die durch Experimente realisierbar sind. Die grundlegende Methode zur Realisierung der Kommunikation besteht darin, RF4432PRO und RF4463PRO auf die gleichen Funkfrequenzparameter und das gleiche Datenformat einzustellen. Diese Methode kann auch auf andere Kommunikation zwischen verschiedenen Funkmodulen und Funkchips ausgeweitet werden. Wenn Sie auf experimentelle Phänomene stoßen, die sich von denen im Artikel unterscheiden, Fragen zum experimentellen Prozess oder andere Ideen haben, können Sie sich gerne mit uns technisch austauschen.
Bitte geben Sie an: Die Quelle ist NiceRF Wireless Technology Co., Ltd., andernfalls müssen die Täter untersucht werden, sobald sie gefunden werden.
+86-755-23080616
sales@nicerf.com
Website: https://www.nicerf.com/
Adresse: 309-314, 3/F, Gebäude A, Hongdu-Geschäftsgebäude, Zone 43, Baoan Dist, Shenzhen, China
Datenschutzrichtlinie
· Datenschutzrichtlinie
Derzeit sind keine Inhalte verfügbar
E-Mail: sales@nicerf.com
Tel.:+86-755-23080616