Sep . 2025
In der sich rasant entwickelnden IoT-Landschaft von heute genügen herkömmliche LoRa-Module mit geringem Stromverbrauch nicht mehr den Anforderungen extremer Anwendungsszenarien. Wenn eine flächendeckende Überwachung weitläufiger Ackerflächen, zuverlässige Kommunikationsverbindungen in abgelegenen Bergregionen oder die Überwindung von Hindernissen in komplexen Industrieumgebungen erforderlich sind, ist eine Standard-Ausgangsleistung von 160 mW vernachlässigbar.
Unter diesen Voraussetzungen entstand die LoRa1121F33-Serie – nicht nur eine einfache Leistungssteigerung, sondern ein qualitativer Sprung in der Kommunikationsfähigkeit. Als Unternehmen mit über 15 Jahren Erfahrung in der drahtlosen Kommunikationsbranche können wir mit Überzeugung sagen, dass die Einführung der F33-Serie eine neue Ära für die LoRa-Technologie einläutet.
Heute widmen wir uns den beiden Flaggschiffmodellen: LoRa1121F33-1G9 (Spezialist für Satellitenkommunikation) und LoRa1121F33-2G4 (Champion für terrestrische Kommunikation). Wie zwei Sterne am Himmel leuchten sie mit unverwechselbarer Brillanz und erhellen den weiten Horizont der drahtlosen Langstreckenverbindungen.

Hochzuverlässige LoRa-Funkmodule für große Reichweiten, komplexe Umgebungen und Multi-Band-Szenarien
Wenn herkömmliche LoRa-Module als Experten für terrestrische Kommunikation gelten, dann ist das F33-1G9 der Pionier der integrierten Weltraum-Boden-Kommunikation. Sein herausragendes Merkmal ist seine Fähigkeit zur Satellitenkommunikation im S-Band (1,9–2,1 GHz), die Verbindungen in Gebieten ohne terrestrische Netzabdeckung ermöglicht.
1) Serienpositionierung und Unterschiede
Dimension | LoRa1121F33-1G9 | LoRa1121F33-2G4 |
Hochfrequenzfokus | S-Band (1,9–2,1 GHz), entwickelt für Satelliten-IoT und integrierte Weltraum-Boden-Kommunikation | 2,4-GHz-ISM-Band, ausgelegt für terrestrische Hochdurchsatz-/Niedriglatenzübertragung |
Sub-GHz-Ausgang | 433/470 MHz: 2 W; 868/915 MHz: 1 W | 433/470 MHz: 2 W; 868/915 MHz: 1 W |
Hochbandausgang | 1 W bei 1,9–2,1 GHz | 1 W bei 2,4 GHz (30 dBm) |
Empfangsempfindlichkeit (typisch) | Sub-GHz: bis zu –144 dBm; S-Band: bis zu –132 dBm | Sub-GHz: bis zu –144 dBm; 2,4 GHz: bis zu –129 dBm |
Frequenzstabilität | TCXO in Industriequalität ±0,5 ppm | TCXO in Industriequalität ±0,5 ppm |
HF-Frontend-Verbesserung | — | Eingebauter FEM (PA+LNA), LNA-Verstärkung ~15 dB |
Repräsentative Anwendungen | Satellitengestütztes IoT, Fern-/Schiffskommunikation, Notfallreaktion | Smart-City-/Park-IoT, Video- und Bildübertragung, UAV-Datenverbindungen |
Wenn von der Reichweite der LoRa-Kommunikation die Rede ist, basiert der traditionelle Maßstab auf einer Sendeleistung von 160 mW. Da die F33-Serie eine Ausgangsleistung von 2 W liefert, ist die Verbesserung nicht nur numerisch – sie bedeutet eine grundlegende Erweiterung der Anwendungsszenarien.
Technologischer Durchbruch: Von 160 mW auf 2 W
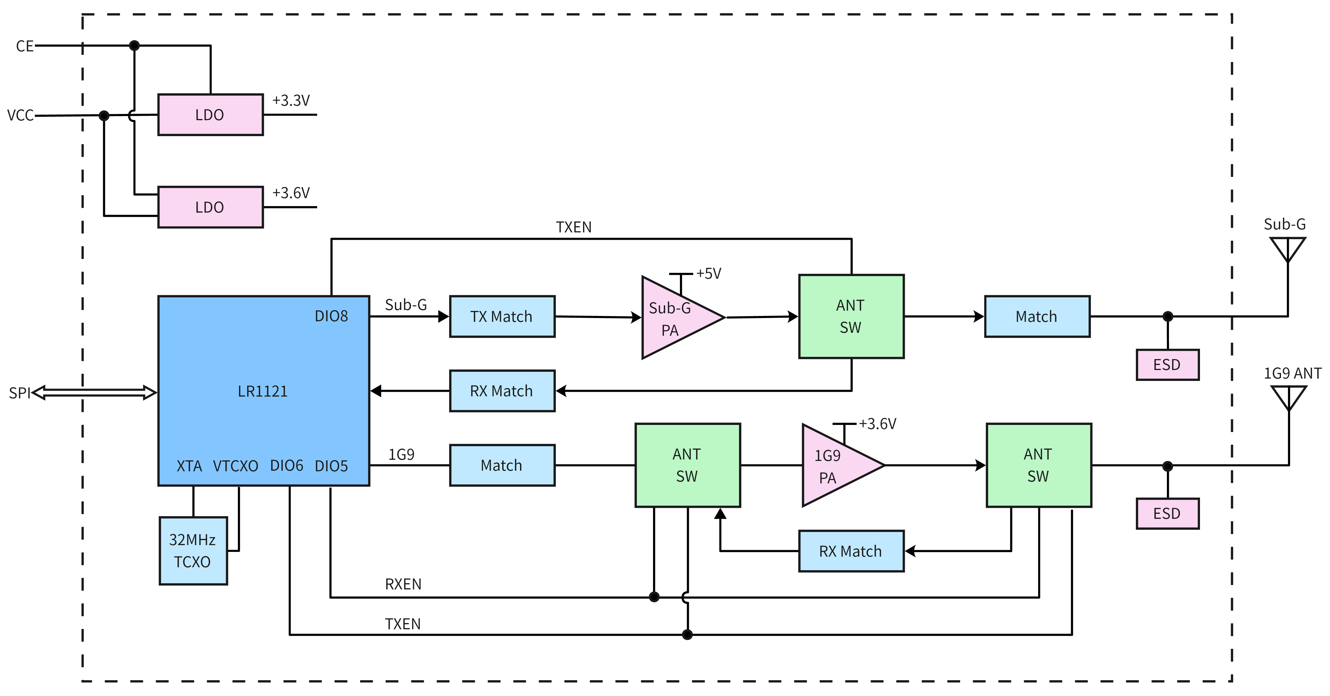
Blockdiagramm des Produkts:

2) Kernmerkmale und Parameter
Vergleichsartikel | F33-1G9 | F33-2G4 |
Sub-GHz-Leistung (433/470 MHz) | 33 dBm (2 W) | 33 dBm (2 W) |
Sub-GHz-Leistung (868/915 MHz) | 30 dBm (1 W) | 30 dBm (1 W) |
Hochbandleistung | 30 dBm (1 W) bei 1,9–2,1 GHz | 30 dBm (1 W) bei 2,4 GHz |
Sub-GHz-Empfindlichkeit (typisch) | Bis auf –144 dBm herunter. | Bis auf –144 dBm herunter. |
Hohe Empfindlichkeit (typisch) | –132 dBm (S-Band) | –129 dBm (2,4 GHz) |
Modulation / Protokoll | LoRa / (G)FSK / LR-FHSS; unterstützt LoRaWAN und private Protokolle | LoRa / (G)FSK / LR-FHSS; unterstützt LoRaWAN und private Protokolle |
Sicherheit | AES-128-Hardwareverschlüsselung | AES-128-Hardwareverschlüsselung |
Zertifizierungspfad | Regionsabhängig (Hochleistungskategorie); Erfahrung und Dokumentation zur Beschleunigung der Genehmigung verfügbar | Identisch mit F33-1G9 |
2.2 Stromverbrauch und Stromversorgung
Vergleichsartikel | F33-1G9 | F33-2G4 |
Versorgungsspannungsbereich | 3,0–5,5 V | 3,0–5,5 V |
Schlafstrom | < 18 µA | < 20 µA |
RX-Strom (Sub-GHz) | ~ < 9 mA | ~ < 8 mA |
RX-Strom (Hochband) | — | ~ 24–29 mA (2,4 GHz) |
Leistungsstufen | Mehrstufig einstellbar | Mehrstufig einstellbar |
3) Vorteile des Frequenzbandes und technischer Weg
Band | Typische Vorteile | F33-1G9 | F33-2G4 |
433/470 MHz | Große Reichweite, gute Beugung, starke Durchdringung | ✅ 2 W | ✅ 2 W |
868/915 MHz | Ausgewogene Tarife und Deckung, regulatorisch konform | ✅ 1 W | ✅ 1 W |
1,9–2,0 GHz (S-Band) | Satelliten-IoT, geringe Störungen, globale Abdeckung | ✅ 1 W | — |
2,4 GHz | Globales ISM, hohe Bandbreite, vielfältiges Ökosystem | — | ✅ 1 W (FEM-optimiert) |
4) Typische Anwendungszuordnung
Szenario / Anforderung | Empfohlenes Modell | Hauptgründe |
Satelliten-IoT / Abgelegene Meere / Keine Bodenabdeckung | F33-1G9 | S-Band 1 W + Sub-GHz 2 W, große Reichweite, geringe Störungen, ideal für die Integration im Weltraum-Boden-Bereich |
Notfallmaßnahmen / Katastrophenhilfe | F33-1G9 | Unabhängiges Netzwerk, robuste Verbindung, Frequenzstabilität auch bei extremen Temperaturen |
Smart City / Campus IoT (Beleuchtung, Parken, Rohrleitungen) | F33-2G4 | 2,4 GHz hohe Bandbreite + Sub-GHz große Reichweite, flexible Bereitstellung, kontrollierbare Standortdichte |
Video-/Bild-/UAV-Datenverbindungen | F33-2G4 | 2,4 GHz 1 W + integrierter FEM (PA+LNA), überlegener Durchsatz |
Großflächige Landwirtschaft / Weideland | F33-1G9 / F33-2G4 | Sub-GHz-2-W-Langstreckenabdeckung; F33-2G4 bevorzugt für Bild/Video |
Industriestandorte (Starke Störungen / Metallische Hindernisse) | F33-2G4 | Hohe Leistung + LR-FHSS + FEM verbessern die Verbindungsreserve |
5) Linkbudget und Leistung: Von 160 mW bis 2 W
Vergleichsartikel | Basis LoRa1121 | F33-1G9 | F33-2G4 |
Maximale Sendeleistung im Sub-GHz-Bereich | 22 dBm (~160 mW) | 33 dBm (2 W) bei 433/470 Hz; 30 dBm (1 W) bei 868/915 Hz | 33 dBm (2 W) bei 433/470 Hz; 30 dBm (1 W) bei 868/915 Hz |
Hochbandleistung | 11 dBm (2,4 GHz) | 30 dBm (S-Band) | 30 dBm (2,4 GHz) |
Frequenzstabilität | ±10 ppm | ±0,5 ppm (TCXO) | ±0,5 ppm (TCXO) |
Sicherheit / Störungsunterdrückung | AES-128 / LR-FHSS | AES-128 / LR-FHSS | AES-128 / LR-FHSS |
Technischer Hinweis: Im Vergleich zu 160 mW verbessert die 2-W-Aufrüstung die Verbindungsleistung um ca. 11–13 dB. Unter gleichen Modulations- und Antennenbedingungen erhöht sich die theoretische Reichweite im freien Raum um ein Vielfaches; in komplexen Umgebungen wird die Widerstandsfähigkeit gegen Blockierung und Fading deutlich erhöht. Zur Optimierung von Reichweite und Energieverbrauch wird eine adaptive Leistungsregelung empfohlen.
6) Mechanik und Schnittstellen (Auswahl-Highlights)
Artikel | F33-1G9 | F33-2G4 |
Verpackung / Montage | Stanzlochgehäuse, SMT-freundlich, unterstützt Sekundärentwicklung | 39,0 × 21,0 mm Hochleistungs-Stanzlochgehäuse, SMT-freundlich |
Pin-Anzahl | 18 Pins (Standard-Breakout) | 18 Pins (Standard-Breakout) |
Antennen | Sub-GHz-Antenne + S-Band-Antenne; unterstützt IPEX / Stanzloch | Sub-GHz-Antenne + 2,4-GHz-Antenne; unterstützt IPEX/Stanzloch |
Schnittstellen | SPI (MISO/MOSI/SCK/NSS), RESET/BUSY/IRQ, VCC/GND, CE-Aktivierung | Identisch mit F33-1G9 |
Liefern | 3,0–5,5 V (Hochspannung, hohe Leistung) | 3,0–5,5 V (Hochspannung, hohe Leistung) |
Gestaltungsrichtlinien | • Durchgängigkeit der HF-Leiterbahnen und Rückleitung | • Kontinuität der HF-Leiterbahnerdung und Rückleitung |
Energie- und Betriebsstrategie (Technische Richtlinien)
•22-stufig einstellbare Leistung: Dynamische Anpassung der Ausgangsleistung je nach RSSI/SNR zur Energieeinsparung auf kurze Distanz.
•Duty-Cycle RX mit schneller Aufwachfunktion: empfohlen für Anwendungen mit langer Standby-Zeit.
•LR-FHSS: verbessert die Robustheit und Spektrumsnutzung in Umgebungen mit hohen Interferenzen.
•Leistungsdesign: Sicherstellen einer ausreichenden Versorgungsreserve und Entkopplung während der 2-W-Sendezeit; Trennung der PA/FEM- und Basisbandversorgungen; Optimierung der Masseverbindung und der Wärmeableitung.
7) Beschaffung und Einsatz (TCO-Perspektive)
Dimension | F33-1G9 | F33-2G4 |
Netzwerkabhängigkeit | Kann ohne Bodennetzwerk betrieben werden (S-Band-Satellit) | Fokussiertes terrestrisches Netzwerk, flexible Bereitstellung |
Basisstationen / Gateways | Weniger (Satelliten-Backhaul oder Langstreckenaggregation) | Kontrollierbare Standortdichte (Sub-GHz-Abdeckung + 2,4-GHz-Backhaul) |
Betrieb und Instandhaltung | Überschaubare Kosten für Satellitenverbindungen, geringer Wartungsaufwand für die Knoten. | Kostenlose lokale Kommunikation, überschaubare Wartung des Standorts |
Anwendungspassung | Anforderungen an hochzuverlässige Systeme in abgelegenen Gebieten, auf See und in Notfällen | Urbane, Video-, UAV- und Hochbandbreitenanwendungen |
Frequenzbandstärken
F33-1G9 (S-Band):
Eigenes Frequenzband mit minimalen Störungen.
Hervorragende Kompatibilität mit LEO-Satellitenkonstellationen (z. B. Starlink, OneWeb).
Ausgewogene Ausbreitung und Durchdringung im Vergleich zu Sub-GHz.
F33-2G4 (2,4 GHz ISM):
Eingebauter FEM (PA+LNA), LNA-Verstärkung ~15 dB für verbesserten Empfang.
Unterstützt einen höheren Datendurchsatz und ist somit ideal für bandbreitenintensive Anwendungsfälle.
Weltweit lizenzfreies ISM-Band, breit unterstütztes Ökosystem.
Produkt-Highlights
F33-1G9: 2 W Sub-GHz + 1 W S-Band, –144 dBm Empfindlichkeit, TCXO ±0,5 ppm, unterstützt LR-FHSS & AES-128; ideal für Satelliten-IoT, Notfall- und Fernabdeckung.
F33-2G4: 2 W Sub-GHz + 1 W 2,4 GHz, eingebauter FEM (PA+LNA), –129 dBm Empfindlichkeit; ideal für Smart Cities, Video und UAV-Anwendungen mit hoher Bandbreite.
+86-755-23080616
sales@nicerf.com
Website: https://www.nicerf.com/
Adresse: 309-314, 3/F, Gebäude A, Hongdu-Geschäftsgebäude, Zone 43, Baoan Dist, Shenzhen, China
Datenschutzrichtlinie
· Datenschutzrichtlinie
Derzeit sind keine Inhalte verfügbar
E-Mail: sales@nicerf.com
Tel.:+86-755-23080616