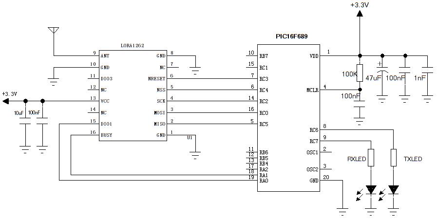
LoRa1276-C1-915: FCC ID-zertifiziertes 915-MHz-SX1276-LoRa-Modul mit ESD-Schutz
Type: (G)FSK Front-End Modules,LoRa Front-End Modules
Certification: FCC ID,IC ID
Modulation: LoRa
Chip: SX1276
Interface: SPI
Output Power: 100mW
Frequency: 915MHz
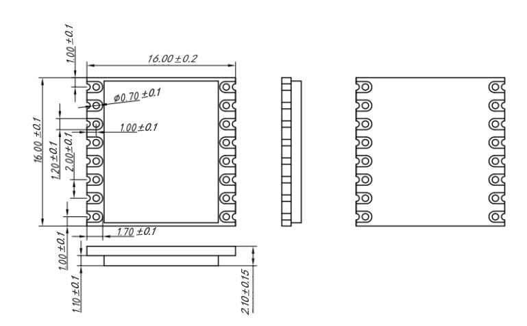
Size:16*16

French







